CHUYÊN TRANG DEMO VIETDRAWING.COM
Feeds
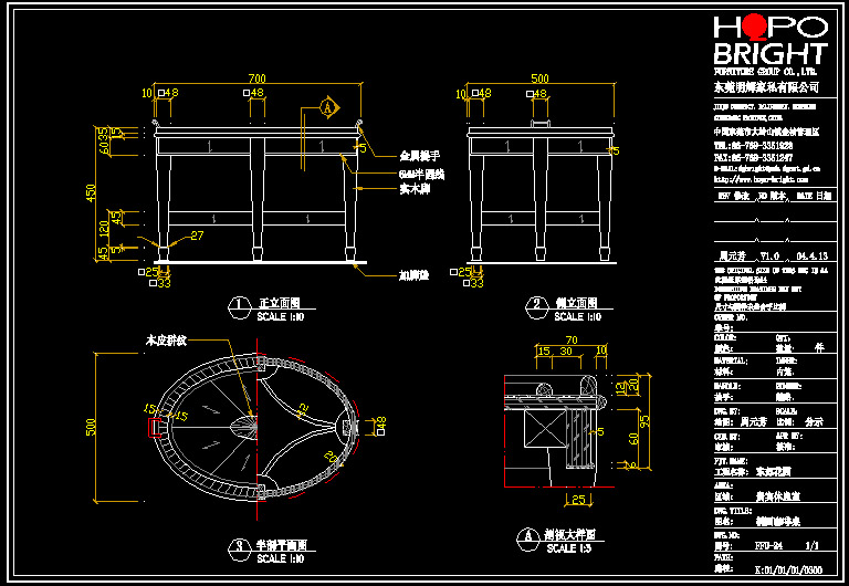
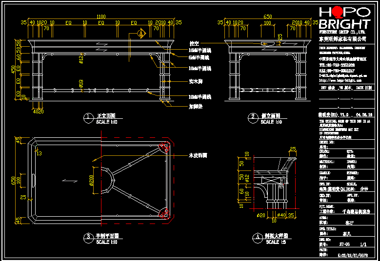
CADI – 020: 05. COFFEE TABLE: RSEVERAL OVAL SHAPED
§4555 · May 23, 2018 ·
Uncategorized
· · [
Print
]
Pages:
1
2
3
4
5
6